
主要功能:
DT4020兩相步進電機驅動器是基于PID電流控制算法設計的高性價比細分型驅動器,具有優越的性能表現,高速大力矩輸出,低噪音,低振動,低發熱,特別適合OEM客戶的大批量應用場合。DT4020驅動器可通過撥碼開關選擇運行電流和細分,有16種細分,8種電流供選擇,具有過壓,欠壓,相電流過流保護,其輸入輸出控制信號均采用光電隔離。
輸入電壓:12-48VDC
輸出相電流:2.2A
3個數字信號輸入口:脈沖/方向/使能信號, 5-24VDC, 光電隔離
16檔細分, 撥碼開關選擇
8檔電流, 撥碼開關選擇
旋鈕開關選擇電機參數以配合DSP算法, 使電機性能最優化
自動減流功能:50%或90%, 撥碼開關選擇
1個數字輸出口:報錯信號輸出
自檢功能
保護:過壓,欠壓,過溫,過流,電機繞組開路
連接 輸入&輸出:

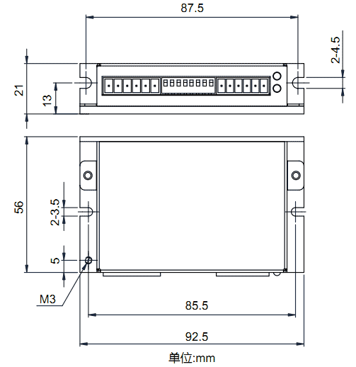
機械尺寸:



電話:0755-25796858
傳真:0755-25796696
郵箱:sales@dt-me.com
地址:廣東省深圳市南山區西麗街道麻磡社區麻磡路18號工業區8棟5樓
華中辦事處:童仁青 18975332020
地址:湖南省長沙縣星沙大道39號財富港灣1棟2單元1613號
華東辦事處:朱興科 18128820282
地址:江蘇省蘇州市昆山市昆山開發區四季華城32棟2單元1503
![]() | ![]() | |
| 微信掃一掃 | 手機掃一掃 |
13332976238
13088821218
18975332020
18615652751
18128820282
外貿客服
18926576949